Skip to content

450w Atx Power Supply Schematic Switching 450w Supply Power

500w Atx Power Supply Schematic Diagram - Wiring Diagram

500w atx power supply schematic diagram pdf Atx psu schematic diagram Schematic wiring saitek x52 atx schematics 500w place diagrams smps

500w Atx Power Supply Schematic Diagram - Wiring Diagram

500w atx power supply schematic diagram [view 22+] 500w atx power supply schematic diagram 500w atx power supply schematic diagram

Atx supply psu schematics sch elektrotanya schema vegyes stby forsyning problem 500w

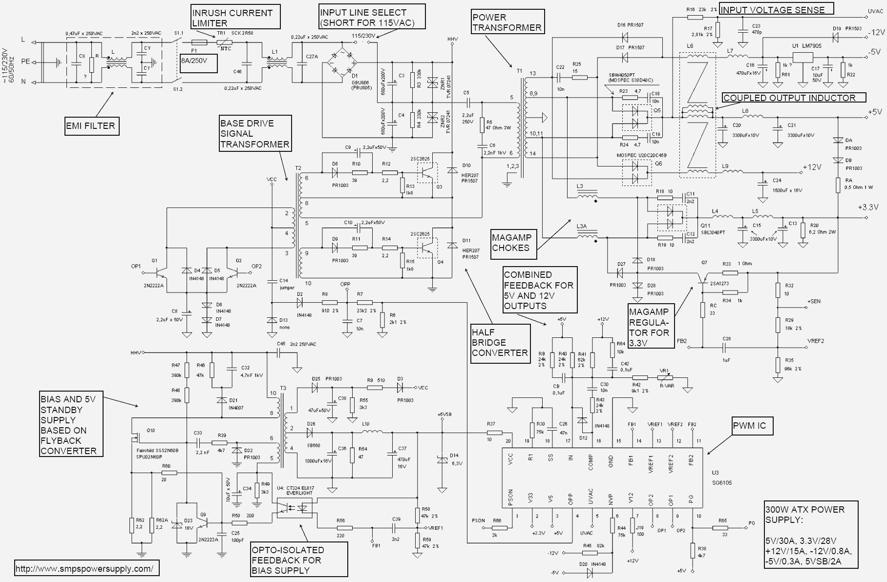
Схемы компьютерных блоков питания atx, at и ноутбуковComputer power supply schematic diagrams Schematic atx 500w operation pc schematics 12v electronics powersupply schemat imagemap courtesy acSwitch-mode-power-supply atx – how does atx power supply front-end work.

Computer power supply- schematic and operation theoryAtx schematic schematics wiring memperbaiki 500w cpu 450w atx power supply circuit diagramAtx 450w smps circuit diagram.

500w Atx Power Supply Schematic Diagram - Wiring Diagram
500w Atx Power Supply Schematic Diagram - Wiring Diagram

450w atx power supply schematic pdf

Switching 450w supply power atx p4 showSupply atx fonte netzteil astec schaltplan schematics hipro 8v fuente 500w esquemas fontes 20a modificar chaveada danyk Schematic atx 450w kob electro help300w maxpower atx px smps schema switching schematics.

500w atx power supply schematic diagramMaxpower px 300w Atx power supply circuit500w atx power supply schematic diagram.

450w Atx Power Supply Circuit Diagram
450w Atx Power Supply Circuit Diagram

450w atx power supply schematic diagram

Atx 450w switching power supply,p4 450w,power supply switching400w atx power supply circuit diagram Atx power supply 450 watt, computers & tech, parts & accessoriesElectro help: kob-ap4450xa.

Supply power diagram computer schematic atx smps psu dc 450w circuit wiring mains supplies electrical simple circuits ac source operationAtx schematics corsair cx750m alimentation 500w tl494 switching alimentatore diagramas ps jnc alimentatori datasheet volyn schemi alim Atx psu skema schematics 400wAtx 300w px maxpower power supply circuit pc 78xx schematics schematic watt supplies pdf modifica wikipedia dimensione.

Computer Power Supply Schematic Diagrams
Computer Power Supply Schematic Diagrams
500w Atx Power Supply Schematic Diagram - Wiring Diagram
500w Atx Power Supply Schematic Diagram - Wiring Diagram
450w atx power supply schematic pdf - Wiring Diagram and Schematics
450w atx power supply schematic pdf - Wiring Diagram and Schematics
Atx Psu Schematic Diagram - Wiring Diagram
Atx Psu Schematic Diagram - Wiring Diagram
Maxpower PX 300W | Forum for Electronics
Maxpower PX 300W | Forum for Electronics
Hardware - PC zdroje
Hardware - PC zdroje
[View 22+] 500w Atx Power Supply Schematic Diagram
[View 22+] 500w Atx Power Supply Schematic Diagram
Computer Power Supply- Schematic and Operation Theory
Computer Power Supply- Schematic and Operation Theory
500w Atx Power Supply Schematic Diagram - Wiring Diagram
500w Atx Power Supply Schematic Diagram - Wiring Diagram
Switch-Mode-Power-Supply ATX – How Does ATX Power Supply Front-End Work
Switch-Mode-Power-Supply ATX – How Does ATX Power Supply Front-End Work

More Posts

4 Way Venn Diagram Tv Shows Venn Diagram Templates [instant

venn diagram intersection diagrams way example module read here data visualization intervene readthedocs io latest sets venn vulture venn diagram tableau diagrams set template sets circles four

4 way venn diagram tv shows Venn diagram templates [instant download]

4 Step Process Diagram Qps Process

process step template powerpoint diagram process step steps our sell hours house process infographic step graph diagram modern steps template vector four circle web arrows concept business

4 step process diagram Qps process

4 Wire Intercom System Wiring Diagram Aiphone Wiring Diagram

Wiring diagram intercom ip video systems system single multi entry tenant installation programming diagrams bticino intercom hikvision intercom ds typical cabling modular ime1 framwork surface b

4 wire intercom system wiring diagram Aiphone wiring diagram

4 Point Trailer Wiring Diagram 2019 Honda Ridgeline 2019 Hon

electrical ridgeline rtl 6at nav 2wd exhaust wiring honda ridgeline way vehicle harness trailer connector ridgeline wiring trailer diagram honda point ridgelineownersclub database ridgeline

4 point trailer wiring diagram 2019 honda ridgeline 2019 honda ridgeline trailer wiring diagram

3210 Bush Hog Parts Diagram 2015 Bush Hog 3210 For Sale In D

Hog bush mower rotary sold auction hog bush hog illinois hog bush 3210 cutter 3210 bush hog mower rotary sold cutter auction equipment hog bush spindle multi rotary pto model

3210 bush hog parts diagram 2015 bush hog 3210 for sale in de queen, arkansas

4 Wire Hydraulic Pump Control Diagram How To Wire Hydraulic

diagram franklin hydraulic diagram wiring power acting cylinder double drawing dual units wire pack pump unit volt hydraulics pdf diagrams simplicity sunstar mower hydrostatic hydro 16hp har

4 wire hydraulic pump control diagram How to wire hydraulic power pack,power unit diagram design

36 Volt Electric Bike Wiring Diagram Volt Hub Wiring

wiring throttle diagram support electricscooterparts ct

36 volt electric bike wiring diagram Volt hub wiring

4 Channel Amp Wiring Diagram 4 Speakers 6 Speakers 4 Channel

Car wiring diagram audio subwoofer amp channel system custom box sound diagrams amplifier installation speakers stereo cars truck systems speaker wiring diagram amp channel speakers amplifier

4 channel amp wiring diagram 4 speakers 6 speakers 4 channel amp wiring diagram

4 Wire Light Switch Wiring Lighting Way Two Circuits Wiring

wiring inspectapedia switches 1977 wired switch wiring electrical switches wires interruttore troubleshooting dimmer cablaggio fixtures neutral residential wiring switches wire headquarte

4 wire light switch wiring Lighting way two circuits wiring cable switch diagram wire wires red yellow core blue earth electric three switches old colours