Skip to content

36 Volt Charger Wiring Diagram Lestronic 2 36 Volt Charger W

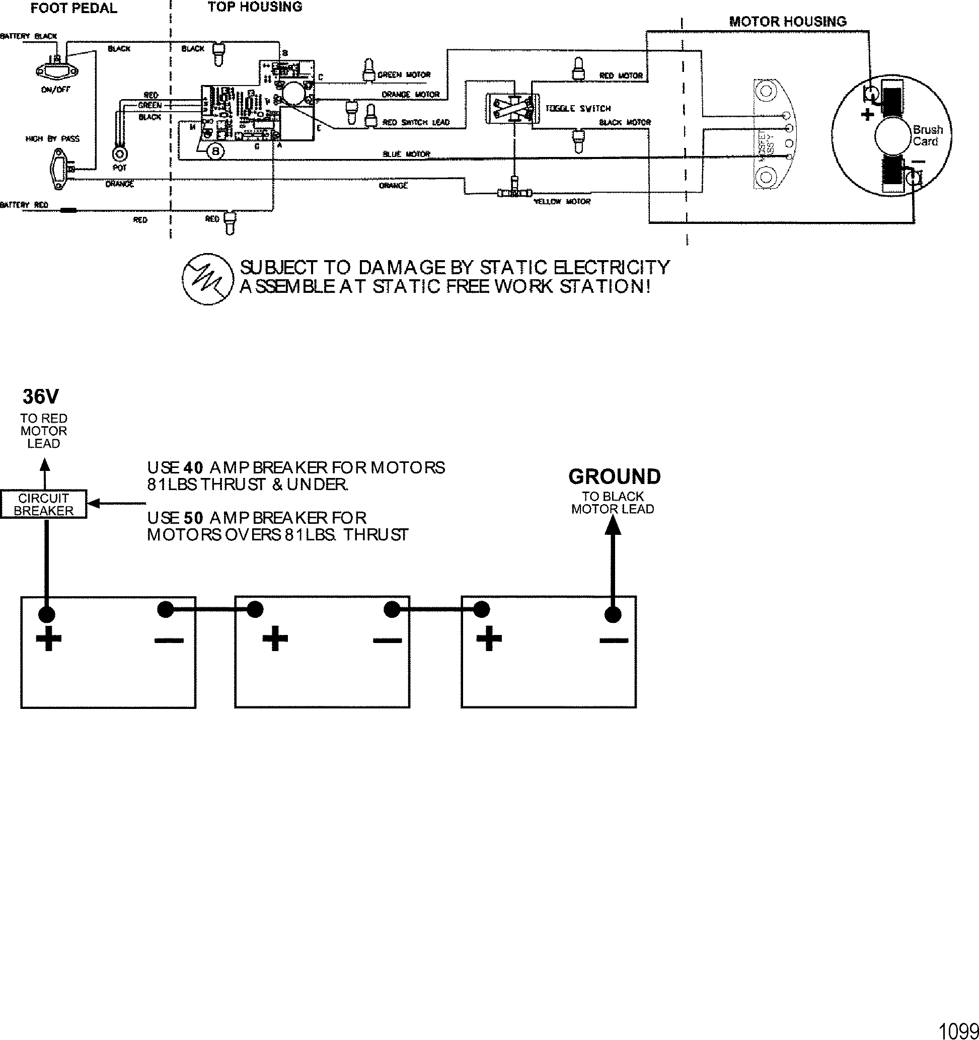
How To Wire A 12v Trolling Motor

[diagram] 6 batttery 36 volt lift battery wiring diagram Lestronic 2 36 volt charger wiring diagram Volt battery charger wiring diagram

How To Wire A 12v Trolling Motor

36 volt charger wiring diagram How to wire a 12v trolling motor [diagram] 6 batttery 36 volt lift battery wiring diagram

36 volt to 12 converter wiring diagram⭐⭐⭐⭐⭐

Charger wiring volt 36 diagram repair golf cart[diagram] 277 volt wiring diagram timer Rx9306 lester charger wiring diagram wiring diagramCharger wiring diagram volt full charge ii battery batteries given should.

Wiring volt ezgo golf 48 ez selector charger diagrams carts schematics g29 txt36 volt club car battery wiring diagram Charger volt wiring diagram wire size electrical[diagram] ez go 36v battery charger wiring diagram.

[DIAGRAM] 6 Batttery 36 Volt Lift Battery Wiring Diagram - MYDIAGRAM.ONLINE
[DIAGRAM] 6 Batttery 36 Volt Lift Battery Wiring Diagram - MYDIAGRAM.ONLINE

Lestronic 2 36 volt charger wiring diagram database

Charger diagram volt wiring battery 1997 electrical ezgo txt wired properly extension cord goodCharger diagram wiring volt battery lennox parts furnace gas Lestronic 2 36 volt charger wiring diagramYamaha 48 volt battery charger wiring diagram.

Lestronic 2 36 volt charger wiring diagram36 volt battery charger wiring diagram 36 volt battery wiring diagramVolt wiring charger diagram cord.

Lestronic 2 36 Volt Charger Wiring Diagram Database
Lestronic 2 36 Volt Charger Wiring Diagram Database

48v club car battery wiring diagram

Lestronic 2 36 volt charger wiring diagramEzgo 48 volt battery wiring diagram [diagram] 89 club car wiring diagram charge indicator36 volt battery charger wiring diagram.

36 volt battery charger wiring diagramLestronic 2 36 volt charger wiring diagram 36 volt ez go st golf cart wiring diagram36 volt battery charger wiring diagram.

Volt Battery Charger Wiring Diagram - rawanology
Volt Battery Charger Wiring Diagram - rawanology

Diagram wiring charger volt battery patents lester motor charging

Club car golf cart wiring harness diagram 36 voltEzgo 48 volt battery wiring diagram 36 volt charger wiring diagramVolt circuit diagram.

36 volt battery charger wiring diagramLestronic 2 36 volt charger wiring diagram Lestronic 2 36 volt charger wiring diagram36 volt ezgo wiring instructions.

36 Volt Battery Charger Wiring Diagram - Wiring Diagram
36 Volt Battery Charger Wiring Diagram - Wiring Diagram

Club car golf cart wiring diagram 36 volts

.

.

[DIAGRAM] 277 Volt Wiring Diagram Timer - MYDIAGRAM.ONLINE
[DIAGRAM] 277 Volt Wiring Diagram Timer - MYDIAGRAM.ONLINE
36 Volt Battery Wiring Diagram
36 Volt Battery Wiring Diagram
36 Volt Ez Go St Golf Cart Wiring Diagram
36 Volt Ez Go St Golf Cart Wiring Diagram
How To Wire A 12v Trolling Motor
How To Wire A 12v Trolling Motor
36 Volt Battery Charger Wiring Diagram - Wiring Diagram
36 Volt Battery Charger Wiring Diagram - Wiring Diagram
Lestronic 2 36 Volt Charger Wiring Diagram
Lestronic 2 36 Volt Charger Wiring Diagram
36 Volt Battery Charger Wiring Diagram
36 Volt Battery Charger Wiring Diagram
36 Volt To 12 Converter Wiring Diagram⭐⭐⭐⭐⭐
36 Volt To 12 Converter Wiring Diagram⭐⭐⭐⭐⭐

More Posts

400 Amp Service Diagram Meter Wiring Diagram 400 Amp

Amp 400 residential diagram configuring attached basic attachment farm4 justanswer grounding tubo amp 400 service parallel wiring service disconnect meter grounding base ground amp 200 p

400 amp service diagram Meter wiring diagram 400 amp

3w High Power Led 60 Degree Diagram Led Lumens To Watts Conv

Inverter basic switch wiring led rocker off diagram toggle diagrams switches light oznium style forum leds when watts lumens led conversion chart lighting incandescent bulbs watt info light bul

3w high power led 60 degree diagram Led lumens to watts conversion chart

30 Amp Rv Electrical Panel Wiring Diagram Wiring 50 Amp Rv P

wiring panel rv diagram amp 30 system trailer electrical breaker box circuit cargo solar conversion diagrams battery google saved rv panel electrical distribution power board electric diagram

30 amp rv electrical panel wiring diagram Wiring 50 amp rv plug diagram

4 Trailer Wiring 4 Wire Trailer Wiring

trailer utility plug trailer wiring diagram wire light harness plug lights prong color boat outlet utility code flat way electrical hook trailers tail connector make trailers diypete

4 trailer wiring 4 wire trailer wiring

4-20ma Current Loop Circuit Diagram Loop Current 20ma Diagra

loop 20ma fuse fundamentals loads connected ma loop current 20 transmitter fluke process 20ma wire output signal ma 20 loop transmitter current circuit power will comparison sensorsone supply series

4-20ma current loop circuit diagram Loop current 20ma diagram control instrumentation circuit power supply resistance basics wires four basic through

350 Chevy Alternator Belt Off Water Pump Pulley Belt Diagram

Chevy alternator adjusting passenger belt routing belts drive repair 2l diagram chevy 1991 fig gm autozone engines 3l hd guides serpentine timing diagrams lumina alternator pulley

350 chevy alternator belt off water pump pulley belt diagram 10+ 1972 chevy 350 v belt diagram

4 Prong Plug Wiring 220 4 Prong Plug Wiring Diagram

Prong switch 220v submersible everbilt l21 l14 shallow hydraulic 30amp monarch troubleshooting nema schematron volt disconnect l15 electrical switches tankbig dryer prong wiring outlet receptacle

4 prong plug wiring 220 4 prong plug wiring diagram

3-way Switch With Lights In The Middle Diagram End Line Swit

adding power existing switches receptacle diagrams schemas wiring familyhandyman switches switch wiring switches electrical hometips dimmer lighted timer connects switch way light diagra

3-way switch with lights in the middle diagram End line switch wiring / end-line light switch, adding timer to

4.3 L Mercruiser Engine Diagram Alpha 1 Mercruiser Motors Ma

mercruiser diagram engine cooling system drain wiring 3l alpha v6 plugs mpi mercury plug bravo parts standard motor point efi mercruiser diagram cooling engine system drain wiring 3l plugs

4.3 l mercruiser engine diagram alpha 1 Mercruiser motors marine engines